Boiler solar cu 2 serpentine FERROLI ECOUNIT F300 2C și rezistență electrică de 1,5 kW, 300 L

3,600.00 lei cu TVA

Boiler solar cu 2 serpentine FERROLI ECOUNIT F300 2C și rezistență electrică de 1,5 kW, 300 L

SKU: GRM6320A Categorie:

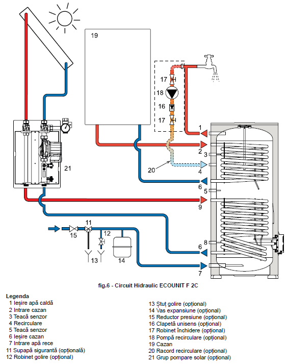
ECOUNIT F este un boiler vertical pentru stocarea apei calde cu 1 serpentină (versiunea 1C) sau cu 2 serpentine (versiunea 2C) din oțel emailat.

Boilerul este proiectat pentru încălzirea apei calde menajere (a.c.m.) la o temperatură sub punctul de fierbere, la presiune atmosferică şi trebuie conectat la o sursă de energie şi la o instalație pentru preparare apă caldă menajeră compatibile cu caracteristicile de performanţă şi puterea acesteia.


Caracteristici :
» Modelul Ecounit F 2C este echipat cu 2 serpentine oferind posibilitatea de conectare la mai multe surse de încălzire.
» Rezervor din oțel carbon, protejat la interior prin emailare cu tehnologia „Blue Forever”.
» Echipat cu rezistență electrică de 1,5 kW.
» Termostat pentru reglarea temperaturii (15°C….75°C).
» Teacă de senzor cu presetupă.
» Buton ON-OFF
» Izolație termică rigidă cu grosimea de 50 mm.
» Finisaj exterior (gri-metalizat) din tablă de oțel vopsită în câmp electrostatic.
» Termometru montat la partea superioară.
» Conexiune pentru recirculare a.c.m.
» Anod de magneziu de mari dimensiuni (montat pe flanșă) pentru protecție la coroziune.


Principiu de funcționare:
» Agentul termic circulă prin serpentină/serpentine și cedează căldura prin transfer termic către apa menajeră.

Date tehnice:

SERPENTINA SUPERIOARĂ
» Putere schimbată t 35 K: 18 kW;
» Capacitate DHW t 35 K: 444 litri / h;
» Capacitate APE T 50 K: 310 litri / h;
» Timp de preparare t 35 K: 41 min.;
» Timp de preparare t 50 K: 58 min.;
» Suprafața de schimb de serpentine: 0,72 m²;
» Lungimea serpentinei: 9,17 m;
» Pierderea sarcinii de serpentină: 220 mbar;
» Capacitatea nominală a bobinei: 2 m³/h ;
SERPENTINA INFERIOARĂ
» Putere schimbată t 35 K: 25 kW;
» Capacitate ACM t 35 K: 618 litri / h;
» Capacitate APE T 50 K: 430 litri / h;
» Timp de preparare t 35 K: 29 min.;
» Timp de preparare t 50 K: 42 min.;
» Suprafața de schimb de serpentine: 1 m².
» Lungimea serpentinei: 12,72 m;
» Pierderea încărcării bobinei: 308 mbar;
» Capacitatea nominală a bobinei: 2 m³/h;
Dimensiuni:



Specificații:

» Capacitate: 300 litri;

» Putere la Δt35ºC: 35 kW;

» Debit acm la Δt35ºC: 760 litri/h;

» Debit acm la Δt50ºC: 606 litri/h;

» Timp preparare la Δt35ºC: 14 min;

» Timp preparare la Δt50ºC: 20 min;

» Presiune max. de funcționare la preparare acm: 8 bar;

» Temperatura max. de funcționare la preparare acm:  95 ºC;

» Pierderi pentru întreținere: 2.2 kW/hx24h;

» Suprafața serpentină:  1.4 m²;

» Lungime serpentină: 17.7 m;

» Pierderi de presiune în serpentină: 432 mbar;

» Debit nominal serpentină: 2 m³/h;

» Grad Protecție IP X0D;

» Putere electrică: 230/50 V/Hz;

» Putere electrică: 1500 W;

» Greutate netă: 85 kg.

 Manual de instalare, utilizare și întreținere FERROLI ECOUNIT F 1C/2C.

Brand

Ferroli

Recenzii

Nu există recenzii până acum.

Fii primul care scrii o recenzie pentru „Boiler solar cu 2 serpentine FERROLI ECOUNIT F300 2C și rezistență electrică de 1,5 kW, 300 L”

Adresa ta de email nu va fi publicată. Câmpurile obligatorii sunt marcate cu *

MAECENAS IACULIS

Vestibulum curae torquent diam diam commodo parturient penatibus nunc dui adipiscing convallis bulum parturient suspendisse parturient a.Parturient in parturient scelerisque nibh lectus quam a natoque adipiscing a vestibulum hendrerit et pharetra fames nunc natoque dui.

ADIPISCING CONVALLIS BULUM

  • Vestibulum penatibus nunc dui adipiscing convallis bulum parturient suspendisse.
  • Abitur parturient praesent lectus quam a natoque adipiscing a vestibulum hendre.
  • Diam parturient dictumst parturient scelerisque nibh lectus.

Scelerisque adipiscing bibendum sem vestibulum et in a a a purus lectus faucibus lobortis tincidunt purus lectus nisl class eros.Condimentum a et ullamcorper dictumst mus et tristique elementum nam inceptos hac parturient scelerisque vestibulum amet elit ut volutpat.

PRODUSE ASEMANATOARE